Physics is the science that studies the nature and properties of matter and energy. It covers topics like motion, heat, light, sound, electricity, magnetism, and the structure of atoms.
-
Question 231: Two 50F parallel plate capacitors are connected in series. The combined capacitor is then connected across a 100-V battery. The charge on each plate of the capacitor is
Options:
A) 5.00 x 10-5C
B) 2.50 x 10-3C
C) 1.25 x 10-3C
D) 1.00 x 10-2C
Show Answer
The correct answer is B .
-
Question 232:
Calculate the absolute pressure at the bottom of a lake at a depth of 32.8 m. Assume the density of the water is 1 x 10^3 kgm-3 and the air above is at a pressure of 101.3 kPa.
[Take g = 9.8 ms-2]
Options:
A) 422.7
B) 220.14
C) 464.53
D) 321.74
Show Answer
The correct answer is A .
-
Question 233:

The circuit diagram above contains four ammeters W, X, Y and Z, Which of the following statements about the ammeter readings is correct
Options:
A) The reading of W is equal to that of Y and twice that of X
B) The reading of Y is greater than that of Z
C) The readings of W and Y are equal and each is greater than that of X
D) The reading of Z is equal to the sum of the readings of Y and W
Show Answer
The correct answer is C .
-
Question 234: Equal masses of copper and rubber are raised to the same temperature. After sometimes, the copper was observed to be at a lower temperature because
Options:
A) the specific heat capacity of copper is lower than that of rubber
B) copper expands more than rubber
C) the specific heat capacity of rubber is lower than that of copper
D) rubber expands more than copper
Show Answer
The correct answer is A .
-
Question 235: When the volume of a given mass of gas is halved and its temperature doubled, the pressure
Options:
A) remains constant
B) increases by a factor of 4
C) increases by a factor of 3
D) decreases by a factor of 4
Show Answer
The correct answer is B .
-
Question 236: A body is projected from the earth's surface with the intention of letting it escape from the earth's gravitational field. What is the minimum escape velocity of the body? [Earth's radius = 6.4 x 103km, g = 10ms-2]
Options:
A) 14 kms-1
B) 13 kms-1
C) 12 kms-1
D) 11 kms-1
Show Answer
The correct answer is D .
-
Question 237: A given quantity of heat increases the temperature of 150grams of water from 9oC to 15oC and increases the temperature of oil of 100grams from 9oC to 25oC. The ratio of the specific heat of oil to that of water is
Options:
A) 0.36
B) 0.46
C) 0.56
D) 0.76
E) 0.86
Show Answer
The correct answer is C .
-
Question 238: Ripples on water and light waves are similar because both
Options:
A) have the same frequency
B) can be refracted and diffracted
C) are longitudinal waves
D) have the same velocity
Show Answer
The correct answer is C .
-
Question 239:
Which of the following is not correct about the molecules of a substance in a gaseous state. They?
Options:
A) are in a constant state of motion
B) have different speeds
C) have a temperature which is measured by the average kinetic energy
D) The collision between the gases is perfectly inelastic
Show Answer
The correct answer is D .
-
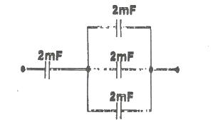
Question 240:

The total capacitance of the circuit above is
Options:
A) 0.25mF
B) 0.50mF
C) 0.75mF
D) 1.25mF
E) 1.50mF
Show Answer
The correct answer is E .