Physics is the science that studies the nature and properties of matter and energy. It covers topics like motion, heat, light, sound, electricity, magnetism, and the structure of atoms.
-
Question 111: An object is placed 10cm in front of a concave mirror of focal length 15cm. What is the position and nature of the image formed?
Options:
A) 30cm and virtual
B) 6cm and real
C) 6cm and virtual
D) 30cm and real
Show Answer
The correct answer is A .
-
Question 112:
Which of the following may be used to explain a mirage?
I. Layers of air near the road surface have varying refractive indices in hot weather
II. Road surfaces sometimes become good reflectors in hot weather
III. Light from the sky can be reflected upwards after coming close to the road surface.
Options:
A) I and III only
B) II and III only
C) II only
D) I, II and III
Show Answer
The correct answer is A .
-
Question 113: Two forces of magnitudes 7N and 3N act at right angles to each other. The angle between the resultant and the 7N force is given by
Options:
A) cos =
B) sin =
C) tan =
D) cot =
Show Answer
The correct answer is C .
-
Question 114:

The figure above shows a uniform wood of weight 200N and length 50m. It is pivoted at one end and suspended by a cord at the other end at an angle of 30 degrees to the wood. Calculate the tension in the cord if the wood is horizontal.
Options:
A) 10N
B) 20N
C) 100N
D) 200N
Show Answer
The correct answer is D .
-
Question 115:

Two horizontal forces, 10N and 8N and another force F1 inclined at 30 to the vertical acting as shown in the diagram above, keep the body P in equilibrium, The weight of the body is
Options:
A) 2√3/3N
B) √2N
C) 4√3/3
D) 2V3N
Show Answer
The correct answer is D .
-
Question 116:
Natural radioactivity consists of emission?
Options:
A) -particles and -rays
B) -particles and X-rays
C) -ray and X-rays
D) -particles and -rays and -rays
Show Answer
The correct answer is D .
-
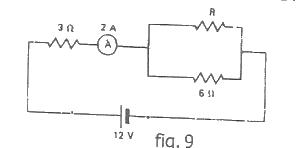
Question 117:

In fig 9 the value of R is
Options:
A) 3Ω
B) 4Ω
C) 5Ω
D) 6Ω
Show Answer
The correct answer is D .
-
Question 118: In a nuclear fusion process, four protons each of mass Mp were fused to produce a nucleus X of mass Mx. Which of the following equations is CORRECT?
Options:
A) 4Mp > Mx
B) 4Mp = Mx
C) 4Mp< Mx
D) Mp > Mx
Show Answer
The correct answer is B .
-
Question 119:

The circuit diagram above contains four ammeters W, X, Y and Z, Which of the following statements about the ammeter readings is correct
Options:
A) The reading of W is equal to that of Y and twice that of X
B) The reading of Y is greater than that of Z
C) The readings of W and Y are equal and each is greater than that of X
D) The reading of Z is equal to the sum of the readings of Y and W
Show Answer
The correct answer is C .
-
Question 120:

The diagram above shows a velocity - time graph. The statement that is true about this motion is that the car
Options:
A) has no acceleration between point F and G
B) decelerates between F and H
C) has a constant soeed between points E and F
D) Accelerates between points F and G
Show Answer
The correct answer is A .