Physics is the science that studies the nature and properties of matter and energy. It covers topics like motion, heat, light, sound, electricity, magnetism, and the structure of atoms.
-
Question 1151: For a best result using temperature to achieve an accurate measurement, it is best to use
Options:
A) Mercury thermometer
B) gas thermometer
C) clinical thermometer
D) alcohol thermometer
Show Answer
The correct answer is B .
-
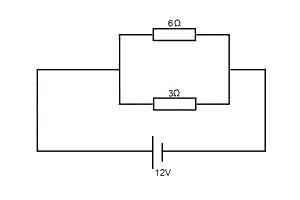
Question 1152:

In the diagram above, the ratio of he electric power dissipated in the 6Ω and the 3Ω resistor respectively is
Options:
A) 2:1
B) 2:2
C) 1:3
D) 1:2
Show Answer
The correct answer is D .
-
Question 1153:
The potential energy in an elastic string of force constant k, which has an extension X is?
Options:
A) kX
B) KX
C) ½KX
D) ½K
Show Answer
The correct answer is C .
-
Question 1154: A weightless vessel of dimensions 4m x 3m x 2m is filled with a liquid of density 1000kgm-3 and sealed. What is the maximum pressure this container can exert on a flat surface? [g = 10ms-2]
Options:
A) 9 x 104NM-2
B) 4 x 104NM-2
C) 3 x 104NM-2
D) 2 x 104NM-2
Show Answer
The correct answer is D .
-
Question 1155:
A supply of 400V is connected across capacitors of 3μf and 6μf in series. Calculate the charge.
Options:
A) 8 x 10C
B) 4 x 10C
C) 8 x 10C
D) 4 x 10C
Show Answer
The correct answer is A .
-
Question 1156:
When three coplanar non-parallel are in equilibrium.i. they can be represented in magnitude and direction by the three sides of a triangle taken in order. ii. the lines of action meet at a point. iii. the magnitude of any one force equals the magnitude of the resultant of the other two forces. iv. any one force is the equivalent of the other two. Which of the following statements above are correct?
Options:
A) i and ii only
B) i and iii only
C) i, ii, iii, and iv
D) none of them
Show Answer
The correct answer is A .
-
Question 1157:
The main factor which affects the speed of sound wave is the?
Options:
A) properties of the medium
B) amplitude of the sound wave
C) intensity of the sound wave
D) loudness of the sound wave
Show Answer
The correct answer is A .
-
Question 1158:
A quantity of ice at -10°C is heated until the temperature of the heating vessel is 90°C. Which of the following constants is NOT required to determine the quantity of heat supplied to the vessel?
Options:
A) Specific latent heat of vaporization
B) Specific heat capacity of ice
C) Specific latent heat of fusion
D) Specific heat capacity of water
Show Answer
The correct answer is A .
-
Question 1159: If the inclination at Ibadan is 7oS, this means that
Options:
A) the angle between the geographic meridian and the magnetic meridian at Ibadan is 7o
B) the earth's magnetic intensity at Ibadan makes angle 7o with the horizontal direction
C) a magnetic needle will be inclined at 7o to the vertical at Ibadan
D) the north pole of a magnetic needle dips downward at Ibadan
Show Answer
The correct answer is B .
-
Question 1160:
One of the features of the fission process is that
Options:
A) it leads to chain reaction
B) its products are not radioactive
C) neutrons are not released
D) the of the masses of the reactants equals the sum of the masses of the products
Show Answer
The correct answer is A .